- ROBOT TOWN SAGAMI トップ
- 事業一覧
- ロボット技術マッチングサイト
- 超精密制御用リニアアンプ型サーボモータドライバー
掲載日(更新日):令和4年2月
リニアアンプ方式による高速でノイズレスな超精密サーボモータ制御を実現
超精密制御用リニアアンプ型サーボモータドライバー
企業PR
高精度な位置決め速度制御を可能とする各種サーボドライバの設計・製造・販売
技術概要、製品仕様
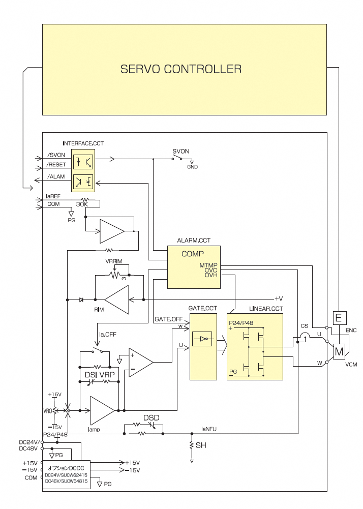
当社のリニアアンプ型サーボモータドライバー(LAシリーズ)は、ボイスコイル型リニアモータなどを高速駆動し超精密位置決めを実現するためのパワーアンプとして開発しました。
リニアアンプ方式による電流制御で、高速、ノイズレス、リニアなサーボ制御を実現し、ナノメータ単位の超精密位置決めが行えます。
アナログ指令値を入力として、24V/48Vの単一主電源でDC20V~47V、2A~6Aのサーボ電力制御が可能です。
アピールポイント
LAシリーズは、単相ブリッジ構成による電流制御回路を用いてアナログPID制御を行っており、DC~20kHzの周波数応答性を持っています。主回路がアナログ演算であるため、高分解能でスイッチングノイズも発生しません。
数msecの高速位置決めや、0.01μmの高分解能リニアスケール位置決め、及び、位置と速度の精密な同期が必要な用途などに最適です。 LAシリーズには40Wから300Wクラスまで6種の製品があり、特殊仕様への対応も可能です。
ロボットへの応用イメージ
当社ではリニアアンプ型だけではなくPWM型のサーボドライバも開発しており、エンコーダ逓倍器、レゾルバデジタル変換器などのセンサー機器も提供しています。また、ドライバの通信インタフェースもCAN、USB等に対応しており、ロボットに使用される様々なモータに対して最適なドライバを提供いたします。これまでに、多関節ロボット、AGV駆動装置、XYステージ制御装置、半田付けロボットなど、多くの利用実績があります。
特記事項
当社のサーボドライバ「PMCB224」は、東京大学及びISAS/JAXAが中心となって開発した超小型宇宙探査機「PROCYON(プロキオン)」の小惑星フライバイ観測装置に採用され、 2014年に小惑星探査機はやぶさ2との相乗りで打ち上げられました。
特注品にも対応いたしますので、お問い合わせください。
企業の概要
- 企業名
- サーボテクノ株式会社
- 所在地
- 神奈川県相模原市中央区相模原6-2-18
- 従業員数
- 9名
- 設立年月
- 1994年10月
- 資本金
- 1100万円
- ホームページ
- http://www.servotechno.co.jp/





